Description
Product Overview
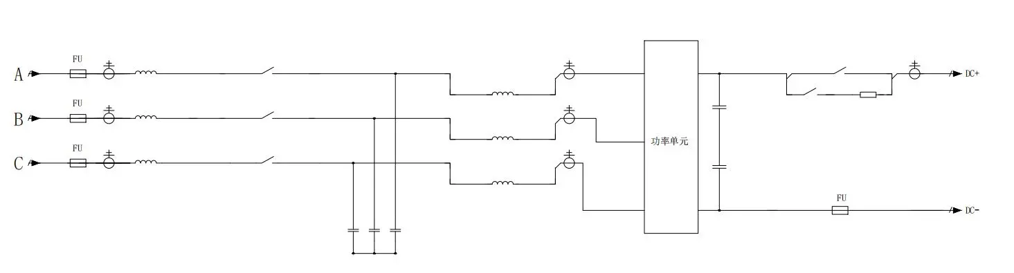
This product is a modular converter specifically designed for 1500V high-voltage energy storage systems. With a rated power of 215kW, it serves as the core power conversion unit in energy storage devices. It adopts a three-level topological structure, supports bidirectional energy flow and a wide range of battery voltages. Boasting an IP66 protection rating, it meets the demands of diverse application scenarios and offers flexible installation and usage.
Key Features of PCS Converter
1. Bidirectional Energy Conversion
The PCS converter enables AC-DC conversion between the power grid and batteries, facilitating bidirectional energy flow. It acts as the primary executing mechanism and core component of the energy storage system.
2. Multi-machine Parallel Connection
It supports multi-machine parallel connection, providing excellent scalability for system expansion.
3. Active and Reactive Power Regulation
The converter supports active and reactive power regulation functions, enhancing power quality control.
4. Flexible Installation Modes
It supports various installation methods such as vertical placement (wiring at the lower end) and drawer-type installation, offering flexibility in deployment.
Advanced Application Functions with EMS Controller
1. Peak Shaving and Valley Filling
The EMS controller calculates the expected power value of the PCS based on historical or real-time load curves. The PCS output responds to this power value, achieving the “peak shaving and valley filling” function.
2. PCS Module Charge-Discharge Control
The EMS controller determines the charge-discharge state and current size of the PCS module based on specific control strategies and battery information returned by the BMS. It then forwards the instructions to the corresponding PCS module via the PCS cabinet. The PCS module can receive and execute the charge-discharge instructions sent by the EMS controller. Additionally, the PCS can receive instructions from the BMS.
3. Reactive Power Regulation
The PCS module can adjust its reactive power output according to the control instructions from the EMS controller. The reactive power regulation range does not exceed the apparent power range of the PCS module.
4. Response Characteristics under Abnormal Frequency
The inverter should possess a certain ability to withstand abnormal system frequencies, ensuring stable operation under varying grid conditions.
5. PCS Protection Functions
The PCS can perform real-time fault protection based on grid-side voltage, frequency, and its own operating status. Protection functions include:
- Over-voltage and under-voltage protection for the grid
- High and low-frequency protection for the grid frequency
- DC over-voltage and under-voltage protection
- DC over-current protection
- DC polarity reverse connection protection
- AC over-current protection
- Over-temperature protection
- Phase-loss protection
- Anti-islanding protection
- AC incoming line phase sequence error protection
- Communication fault protection
- Cooling system protection
- Emergency stop protection
- BMS linkage protection
This comprehensive protection mechanism ensures the safe and reliable operation of the energy storage system under various conditions.














