Description

Product Overview
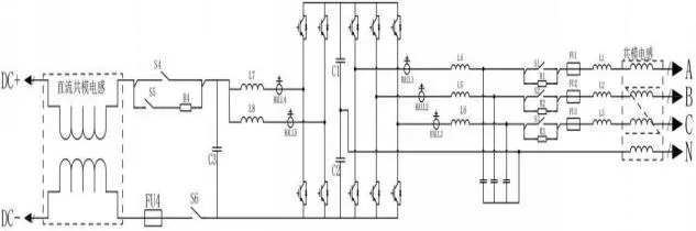
The AME 35kW modular Power Conversion System (PCS) is specifically designed for small-scale energy storage systems. As the core power conversion unit in energy storage devices, it employs a SiC (Silicon Carbide) topology structure. This PCS supports bidirectional energy flow and a wide range of battery voltages, enabling compatibility with various battery types to meet the demands of diverse application scenarios. Its installation and usage are highly flexible.
Key Features
35kW SiC PCS
- Utilizes Third-Generation Semiconductor SiC: Leveraging the advanced properties of Silicon Carbide, this PCS achieves a maximum efficiency of up to 98.5%. This high efficiency translates to reduced energy losses during power conversion processes.
- Built-in DC-DC Dual-Stage Topology: The integrated dual-stage topology allows for excellent compatibility with low DC voltages. It can work seamlessly with a minimum DC voltage of 200V, ensuring stable operation even with lower-voltage battery systems.
- Three-Phase Four-Wire Design: This design makes the PCS perfectly suitable for small-capacity scenarios on the user side. It provides a stable and reliable power supply, meeting the specific requirements of such applications.
Bidirectional Energy Flow
The PCS enables energy to flow in both directions, allowing for efficient charging and discharging of the energy storage system. This feature is crucial for optimizing energy usage and maximizing the value of stored energy.
Wide Battery Voltage Compatibility
With its ability to support a broad range of battery voltages, the PCS can be paired with different types of batteries, including lithium-ion, lead-acid, and other emerging battery technologies. This flexibility simplifies system integration and allows for customized energy storage solutions.
Flexible Installation and Usage
The modular design of the PCS facilitates easy installation and scalability. Whether in residential, commercial, or industrial settings, it can be quickly deployed and adapted to various site conditions, providing a convenient and efficient energy storage solution.
By offering high efficiency, wide compatibility, and flexible installation, the AME 35kW modular PCS is an ideal choice for small energy storage systems, helping users achieve reliable and sustainable energy management.
Discover the advanced features and technical specifications of 35kW modular PCS, designed specifically for small energy storage systems. This high-performance PCS serves as the core power conversion unit, offering unparalleled efficiency and flexibility.

Product Highlights
- 35kW Rated Power: Ideal for small-scale energy storage applications, providing reliable power conversion.
- SiC Topology Structure: Utilizes Silicon Carbide technology for enhanced efficiency and performance.
- Bidirectional Energy Flow: Enables seamless charging and discharging, optimizing energy utilization.
- Wide Battery Voltage Compatibility: Compatible with various battery types, ensuring versatile system integration.
- Flexible Installation: Modular design simplifies installation and allows for easy scalability.
Key Features
- High Efficiency: With a maximum efficiency exceeding 98%, this PCS minimizes energy losses during conversion.
- Low Minimum DC Voltage: The built-in DC-DC dual-stage topology supports a minimum DC voltage of 200V, enhancing compatibility.
- Three-Phase Four-Wire Design: Perfectly suited for small-capacity user-side applications, ensuring stable power supply.
Technical Parameters
| Parameter | Specification |
|---|---|
| DC Voltage Range | 200~850V (Full Load: 320~850V) |
| Maximum DC Side Current | 110A |
| Allowable AC Voltage Range | 400V ± 15% |
| Operating Temperature | -20~55°C (Derating Above 45°C) |
| Protection Grade | IP20 |
| Noise Level | ≤75dB |
| Maximum Conversion Efficiency | ≥98% |
| Weight | 40kg |
| Altitude | <3000m (Derating Above 2000m) |
| Dimensions (W x D x H) | 480mm x 550mm x 173mm |
| Structural Wiring | Primary Rear, Secondary Front; Front Air Intake, Rear Air Outlet |
Benefits
- Enhanced Energy Efficiency: Reduces operational costs and improves overall system performance.
- Versatile Battery Compatibility: Simplifies system design and allows for integration with a wide range of batteries.
- Compact and Lightweight: Suitable for installations with limited space and strict noise requirements.
- Reliable Operation: Designed to withstand varying environmental conditions, ensuring long-term stability.
By choosing Imax 35kW modular PCS, you can achieve efficient, reliable, and flexible energy storage solutions tailored to your specific needs.













