Description
The INP-DCDC bidirectional converter is designed for non-isolated DC-to-DC conversion scenarios. This product is a bidirectional DCDC converter that operates in BUCK mode from input to output and BOOST mode from output to input. When used with an INP energy storage converter, it broadens the battery voltage range, supporting a DC voltage range of 350-850V. It also features MPPT control and supports photovoltaic (PV) integration.
Product Features
- Ultra-Wide DC Voltage Range: 350~850V
Supports a broad range of DC voltages, enhancing compatibility with various battery systems and enabling flexible energy storage solutions. - One-Route MPPT Control, Supports PV Access
Integrates MPPT (Maximum Power Point Tracking) control to optimize PV energy harvesting, improving overall system efficiency. - Supports Multiple Battery Types with Comprehensive Protection
Compatible with diverse battery chemistries and equipped with robust converter and battery protection functions to ensure safety and longevity. - 4-Way Interleaved Parallel Connection, Output Ripple Current Friendly to Batteries
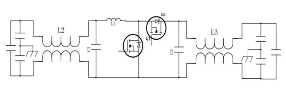
Utilizes a 4-path interleaved parallel architecture to reduce output ripple current, minimizing stress on batteries and enhancing system stability. - Whole Machine Power Devices Adopt Silicon Carbide MOSFETs for Smaller Size and Higher Efficiency
Employs silicon carbide MOSFETs to achieve a compact design and superior efficiency, reducing space requirements and improving performance. - Supports Multiple Operating Modes
- Low-voltage side: constant voltage, constant current, constant power
- High-voltage side: constant voltage, constant current
Offers versatile operating modes to meet diverse application demands and optimize system performance.

Technical Parameters
- Ultra-Wide DC Voltage Range: 300~900V
- Supports Multiple Battery Types: Comprehensive converter and battery protection functions.
- 4-Way Interleaved Parallel Connection: Output ripple current is low, battery-friendly.
- Equipped with One-Route MPPT: Optimizes photovoltaic energy utilization.












