Description
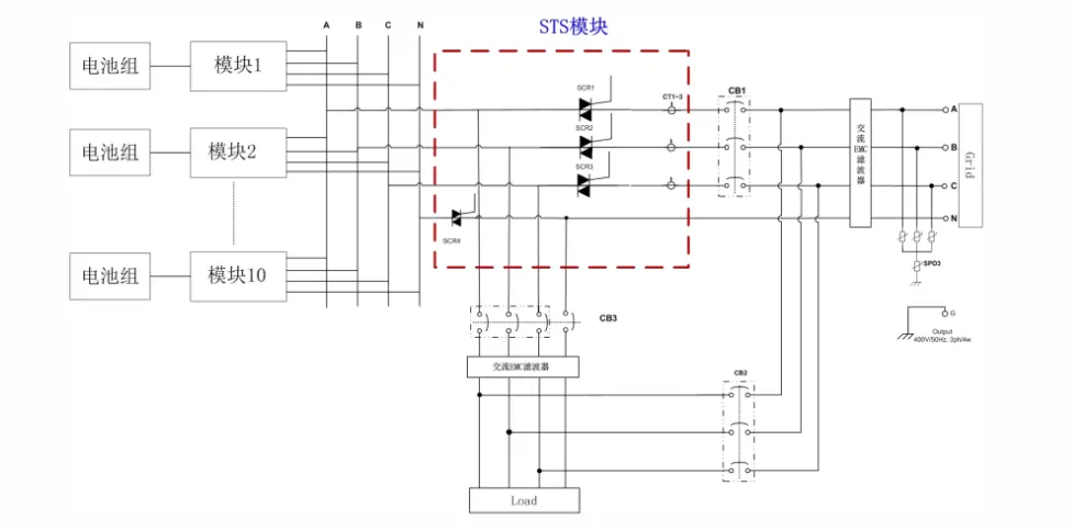
This STS module for on-grid and off-grid switching adopts static switch seamless switching technology and supports seamless on-grid and off-grid switching. It adopts DSP design and supports CAN RS485 communication. This module is widely applied in on-grid and off-grid switching scenarios, such as weak grid areas and microgrid energy storage
Application fields: Weak power grid areas, microgrid energy storage

Function Description:
- Three-phase five-wire system (3W + N + PE), supporting unbalanced off-grid loads;
- Compatible with PCS module, enabling seamless switching between grid-connected and off-grid modes to ensure uninterrupted power supply for critical loads;
- Modular design, simple installation and maintenance;
- Module height of only 2U, compact structure, and high power density.
Product Specification Parameters:
| Item | STS-20K | STS-40K | STS-60K |
|---|---|---|---|
| Electrical Parameters | |||
| System | Three-phase five-wire (3W + N + PE) | ||
| Rated grid voltage | 380/400/415Vac | ||
| Voltage range | 304 ~ 485Vac | ||
| Rated frequency | 50Hz | ||
| Frequency range | 45 ~ 55Hz | ||
| Rated current | 31A | 62A | 93A |
| Rated power | 20kW | 40kW | 60kW |
| Overload capacity | 110%, for long-term overload; 125%, for 10-minute overload | ||
| Other Performance | |||
| Protection Functions | |||
| Overvoltage protection | Equipped | ||
| Overcurrent protection | Equipped | ||
| Short-circuit protection | Equipped | ||
| Over-temperature protection | Equipped | ||
| Anti-backflow protection | Equipped | ||
| Other Parameters | |||
| Operating temperature | -30 ~ 65°C, output power derating above 55°C | ||
| Storage temperature | -40 ~ 75°C | ||
| Noise | 65dB | ||
| Dimensions (widthheightdepth) | 44086480mm | ||
| Weight | 11kgs | ||
| Protection grade | IP20 (single module) | ||
| Cooling method | Forced air cooling |











